
產品名稱:D371X蝸輪對夾式蝶閥
產品標簽:蝶閥,蝸輪對夾式蝶閥
更新時間:2019/5/27 10:37:57
上一個產品: D71X/F軟密封對夾式蝶閥
下一個產品:D71J/D371J襯膠蝶閥
在線訂購:在線訂購
產品詳情
公稱通經DN(mm) |
50~2000 |
50~2000 |
|
公稱藥理PN(MPa) |
0.6 |
1.0 |
1.6 |
密封試驗(MPa) |
0.66 |
1.1 |
1.76 |
強度試驗(MPa) |
0.9 |
1.5 |
2.4 |
適用溫度 |
丁腈橡膠:-40℃~90℃氟橡膠:-20℃~200℃ |
||
適用介質 |
水、空氣、天然氣、油品及弱腐蝕性流體 |
||
泄漏率 |
符合GB/T13927-92標準 |
||
驅動方式 |
蝸輪傳動、電動、氣動、液動 |
||
D371X蝸輪對夾式蝶閥主要零件材料
零件名稱 |
材料 |
閥體 |
灰鑄鐵、球墨鑄鐵、鑄鋼、不銹鋼及特殊材料 |
蝶板 |
球墨鑄鐵、鑄鋼、不銹鋼及合金鋼 |
閥軸 |
2Cr13、不銹鋼 |
密封圈 |
丁腈耐油橡膠、聚四氟乙烯 |
填料 |
O型圈、柔性石墨 |
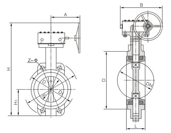
D371X蝸輪對夾式蝶閥主要外形尺寸
DN |
L |
H1 |
H |
A |
B |
0.6MPa |
1.0MPa |
1.6MPa |
|||
DO |
n-d |
DO |
n-d |
DO |
n-d |
||||||
50 |
43 |
63 |
306 |
180 |
200 |
110 |
4-14 |
125 |
4-18 |
125 |
4-18 |
65 |
46 |
70 |
321 |
180 |
200 |
130 |
4-14 |
145 |
4-18 |
145 |
4-18 |
80 |
46 |
83 |
346 |
180 |
200 |
150 |
4-18 |
160 |
8-18 |
160 |
8-18 |
100 |
52 |
105 |
387 |
180 |
200 |
170 |
4-18 |
180 |
8-18 |
180 |
8-18 |
125 |
56 |
115 |
411 |
180 |
200 |
200 |
8-18 |
210 |
8-18 |
210 |
8-18 |
150 |
56 |
137 |
447 |
270 |
280 |
225 |
8-18 |
240 |
8-22 |
240 |
8-22 |
200 |
60 |
164 |
572 |
270 |
280 |
280 |
8-18 |
295 |
8-22 |
295 |
8-22 |
250 |
68 |
206 |
646 |
270 |
280 |
335 |
12-18 |
350 |
12-22 |
355 |
12-26 |
300 |
78 |
230 |
738 |
380 |
420 |
395 |
12-22 |
400 |
12-22 |
410 |
12-26 |
350 |
78 |
248 |
761 |
380 |
420 |
445 |
12-22 |
460 |
16-22 |
470 |
16-26 |
400 |
102 |
289 |
877 |
450 |
470 |
495 |
16-22 |
515 |
16-26 |
525 |
16-30 |
450 |
114 |
320 |
938 |
480 |
490 |
550 |
16-22 |
565 |
20-26 |
585 |
20-30 |
500 |
127 |
343 |
993 |
480 |
490 |
600 |
20-22 |
620 |
20-26 |
650 |
20-33 |
600 |
154 |
413 |
1131 |
480 |
490 |
705 |
20-26 |
725 |
20-30 |
770 |
20-36 |
700 |
165 |
478 |
1476 |
640 |
660 |
810 |
24-26 |
840 |
24-30 |
840 |
24-36 |
800 |
190 |
525 |
1533 |
640 |
660 |
920 |
24-30 |
950 |
24-33 |
950 |
24-39 |
900 |
203 |
585 |
1655 |
750 |
860 |
1020 |
24-30 |
1050 |
28-33 |
1050 |
38-39 |
1000 |
216 |
640 |
1765 |
850 |
900 |
1120 |
28-30 |
1160 |
28-36 |
1170 |
28-42 |
1200 |
254 |
755 |
1995 |
850 |
900 |
1340 |
32-33 |
1380 |
32-39 |
1390 |
32-48 |

注:以上的產品介紹,參數,圖片,數據僅用于參考,如果需更準確的資料請咨詢公司技術服務熱線:18117208829




