
產品名稱:Dt643H氣動硬密封蝶閥
產品標簽:蝶閥,氣動硬密封蝶閥
更新時間:2019/6/1 11:34:51
上一個產品: SD43F手動伸縮蝶閥
下一個產品:Dt973H電動彈性金屬硬密封蝶閥
在線訂購:在線訂購
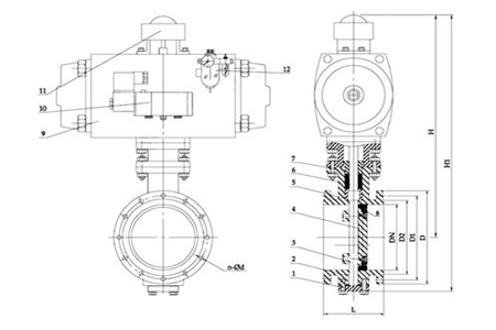
產品詳情
| 公稱通徑 | 結構長度L | 外形尺寸(參考值) | 連接(標準值) | 參考 | ||||||||||
| H | Dt643H | PN0.6MPa | PN1.0MPa | |||||||||||
| mm | inch | 短 | 長 | H2 | A2 | B2 | D | D1 | z-d | D | D1 | z-d | ||
| 50 | 2 | 108 | 150 | 112 | 625 | 245 | 72 | 140 | 110 | 4-14 | 165 | 125 | 4-18 | 17 | 
| 65 | 5/2 | 112 | 170 | 115 | 625 | 245 | 72 | 160 | 130 | 4-14 | 185 | 145 | 4-18 | 20 | 
| 80 | 3 | 114 | 180 | 120 | 645 | 245 | 72 | 190 | 150 | 4-18 | 200 | 160 | 8-18 | 23 | 
| 100 | 4 | 127 | 190 | 138 | 675 | 355 | 92 | 210 | 170 | 4-18 | 220 | 180 | 8-18 | 25 | 
| 125 | 5 | 140 | 200 | 164 | 715 | 355 | 92 | 240 | 200 | 8-18 | 250 | 210 | 8-18 | 40 | 
| 150 | 6 | 140 | 210 | 175 | 800 | 355 | 92 | 165 | 225 | 8-18 | 285 | 240 | 8-22 | 47 | 
| 200 | 8 | 152 | 230 | 208 | 850 | 250 | 170 | 320 | 280 | 8-18 | 340 | 295 | 8-22 | 60 | 
| 250 | 10 | 165 | 250 | 243 | 925 | 250 | 170 | 375 | 335 | 12-18 | 395 | 350 | 12-22 | 95 | 
| 300 | 12 | 178 | 270 | 283 | 1035 | 450 | 220 | 440 | 395 | 12-22 | 445 | 400 | 12-22 | 124 | 
| 350 | 14 | 190 | 290 | 310 | 1070 | 450 | 220 | 490 | 445 | 12-22 | 505 | 460 | 16-22 | 181 | 
| 400 | 16 | 216 | 310 | 340 | 1190 | 450 | 220 | 540 | 495 | 16-22 | 565 | 515 | 16-26 | 260 | 
| 450 | 18 | 222 | 330 | 380 | 1250 | 650 | 280 | 595 | 550 | 16-22 | 615 | 565 | 20-26 | 338 | 
| 500 | 20 | 229 | 350 | 410 | 1290 | 650 | 280 | 645 | 600 | 20-22 | 670 | 620 | 20-26 | 360 | 
| 600 | 24 | 267 | 390 | 470 | 1455 | 850 | 380 | 755 | 705 | 20-26 | 780 | 725 | 20-30 | 540 | 
| 700 | 28 | 292 | 430 | 550 | 1585 | 850 | 380 | 860 | 810 | 24-26 | 895 | 840 | 24-30 | 580 | 
| 800 | 32 | 318 | 470 | 640 | 1700 | 1250 | 380 | 975 | 920 | 24-30 | 1015 | 950 | 24-33 | 845 | 
| 900 | 36 | 330 | 510 | 710 | 1865 | 1250 | 380 | 1075 | 1020 | 24-30 | 1115 | 1050 | 28-33 | 1050 | 
| 1000 | 40 | 410 | 550 | 770 | 2015 | 1500 | 580 | 1175 | 1120 | 28-30 | 1230 | 1160 | 28-36 | 1500 | 
| 1200 | 48 | 470 | 630 | 890 | 2226 | 1500 | 580 | 1405 | 1340 | 32-33 | 1455 | 1380 | 32-39 | 2000 | 
| 公稱通徑 | 結構長度L | 外形尺寸(參考值) | 連接(標準值) | 參考 | ||||||||||
| H | Dt643H | PN1.6MPa | PN2.5MPa | |||||||||||
| mm | inch | 短 | 長 | H2 | A2 | B2 | D | D1 | z-d | D | D1 | z-d | ||
| 50 | 2 | 108 | 150 | 112 | 605 | 245 | 72 | 165 | 125 | 418 | 165 | 125 | 4-18 | 19 | 
| 65 | 5/2 | 112 | 170 | 115 | 625 | 245 | 72 | 185 | 145 | 418 | 185 | 145 | 8-18 | 22 | 
| 80 | 3 | 114 | 180 | 120 | 645 | 355 | 92 | 200 | 160 | 818 | 200 | 160 | 8-18 | 25 | 
| 100 | 4 | 127 | 190 | 138 | 675 | 355 | 92 | 220 | 180 | 818 | 235 | 190 | 8-22 | 28 | 
| 125 | 5 | 140 | 200 | 164 | 715 | 355 | 92 | 250 | 210 | 818 | 270 | 220 | 8-26 | 43 | 
| 150 | 6 | 140 | 210 | 175 | 800 | 250 | 138 | 285 | 240 | 822 | 300 | 250 | 8-26 | 50 | 
| 200 | 8 | 152 | 230 | 208 | 850 | 250 | 170 | 340 | 295 | 1222 | 360 | 310 | 12-26 | 64 | 
| 250 | 10 | 165 | 250 | 243 | 925 | 250 | 170 | 405 | 355 | 1226 | 425 | 370 | 12-30 | 99 | 
| 300 | 12 | 178 | 270 | 283 | 1035 | 450 | 220 | 460 | 410 | 1226 | 485 | 430 | 16-30 | 130 | 
| 350 | 14 | 190 | 290 | 310 | 1070 | 450 | 220 | 520 | 470 | 1626 | 555 | 490 | 16-33 | 188 | 
| 400 | 16 | 216 | 310 | 340 | 1190 | 650 | 220 | 580 | 525 | 1630 | 620 | 550 | 16-36 | 270 | 
| 450 | 18 | 222 | 330 | 380 | 1250 | 650 | 280 | 640 | 585 | 2030 | 670 | 600 | 20-36 | 350 | 
| 500 | 20 | 229 | 350 | 410 | 1290 | 650 | 280 | 715 | 650 | 2033 | 730 | 660 | 20-36 | 375 | 
| 600 | 24 | 267 | 390 | 470 | 1455 | 850 | 380 | 840 | 770 | 2036 | 845 | 770 | 20-39 | 560 | 
| 700 | 28 | 292 | 430 | 550 | 1585 | 850 | 380 | 910 | 840 | 2436 | 960 | 875 | 24-42 | 610 | 
| 800 | 32 | 318 | 470 | 640 | 1700 | 1250 | 380 | 1025 | 950 | 2439 | 1085 | 990 | 24-48 | 880 | 
| 900 | 36 | 330 | 510 | 710 | 1865 | 1250 | 380 | 1125 | 1050 | 2839 | 1185 | 1090 | 28-48 | 1100 | 
| 1000 | 40 | 410 | 550 | 770 | 2015 | 1500 | 580 | 1255 | 1170 | 2842 | 1320 | 1210 | 28-56 | 1600 | 
| 1200 | 48 | 470 | 630 | 890 | 2226 | 1500 | 580 | 1485 | 1390 | 3248 | 1530 | 1420 | 32-56 | 2150 | 
| 公稱通徑DN | 結構長度 | 外形尺寸(參考值) | 
 | |||||||
| H | Dt643H | PN4.0MPa | ||||||||
| mm | inch | 短 | 長 | H2 | A2 | B2 | D | D1 | z-Φd | |
| 50 | 2 | 108 | 150 | 112 | 675 | 245 | 72 | 165 | 125 | 4-18 | 
| 65 | 5/2 | 112 | 170 | 115 | 625 | 355 | 92 | 185 | 145 | 8-18 | 
| 80 | 3 | 114 | 180 | 120 | 625 | 355 | 92 | 200 | 160 | 8-18 | 
| 100 | 4 | 127 | 190 | 138 | 645 | 355 | 92 | 235 | 190 | 8-22 | 
| 125 | 5 | 140 | 200 | 164 | 675 | 550 | 138 | 270 | 220 | 8-26 | 
| 150 | 6 | 140 | 210 | 175 | 715 | 550 | 138 | 300 | 250 | 8-26 | 
| 200 | 8 | 152 | 230 | 208 | 800 | 550 | 138 | 375 | 320 | 12-30 | 
| 250 | 10 | 165 | 250 | 243 | 850 | 550 | 138 | 450 | 385 | 12-33 | 
| 300 | 12 | 178 | 270 | 283 | 925 | 450 | 220 | 515 | 450 | 16-33 | 
| 350 | 14 | 190 | 290 | 310 | 1035 | 450 | 220 | 580 | 410 | 16-36 | 
| 400 | 16 | 216 | 310 | 340 | 1070 | 650 | 288 | 660 | 585 | 16-39 | 
| 450 | 18 | 222 | 330 | 380 | 1190 | 650 | 280 | 685 | 610 | 20-39 | 
| 500 | 20 | 229 | 350 | 410 | 1190 | 650 | 280 | 755 | 670 | 20-42 | 
|  | 
 電話:+86 021-69783299
  電話:+86 021-69783299   傳真:+86 021-33275139
  傳真:+86 021-33275139   郵箱:ludahua27@163.com
  郵箱:ludahua27@163.com




