
產品名稱:D973H電動硬密封蝶閥
產品標簽:蝶閥,電動硬密封蝶閥
更新時間:2019/5/31 10:47:48
上一個產品: D(3.6.9)41X法蘭式軟密封蝶閥
下一個產品:GcD941W高溫煙道蝶閥
在線訂購:在線訂購
產品詳情
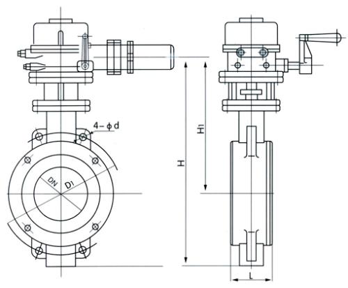
| 公稱通經DN(mm) | 50~2000 | |||
| 公稱藥理PN(MPa) | 0.6 | 1.0 | 1.6 | 2.5 | 
| 密封試驗(MPa) | 0.66 | 1.1 | 1.76 | 2.75 | 
| 強度試驗(MPa) | 0.9 | 1.5 | 2.4 | 3.75 | 
| 適用溫度 | 碳鋼:-29℃~425℃不銹鋼:-40℃~650℃ | |||
| 適用介質 | 水、空氣、天然氣、油品及弱腐蝕性流體 | |||
| 泄漏率 | 符合GB/T13927-92標準 | |||
| 驅動方式 | 蝸輪傳動、電動、氣動、液動 | |||
| 零件名稱 | 材料 | 
| 閥體 | WCB、合金鋼、不銹鋼、QT450-10 | 
| 蝶板 | WCB、合金鋼、不銹鋼、QT450-10 | 
| 閥軸 | 2Cr13不銹鋼、合金鋼 | 
| 密封圈 | 不銹鋼圈 | 
| 填料 | 柔性石墨 | 
| 制造標準 | JB/T8527-97 | 
| 法蘭標準 | GB9113-2000 | 
| 結構長度標準 | GB12221-89 | 
| 檢驗標準 | GB/T13927-92 | 
| 公稱通經(DN) | 主要尺寸 | 法蘭尺寸和螺栓規格 | |||||||
| 1.0MPa | 1.6MPa | 2.5MPa | |||||||
| L | H | H1 | D1 | 4-Ф-M | D1 | 4-Ф-M | D1 | 4-Ф-M | |
| 50 | 43 | 530 | 112 | 125 | Ф18 | 125 | Ф18 | 125 | Ф18 | 
| 65 | 46 | 530 | 115 | 145 | Ф18 | 145 | Ф18 | 145 | Ф18 | 
| 80 | 49 | 565 | 120 | 160 | Ф18 | 160 | Ф18 | 160 | Ф18 | 
| 100 | 56 | 600 | 138 | 180 | Ф18 | 180 | Ф18 | 190 | Ф23 | 
| 125 | 64 | 640 | 164 | 210 | Ф18 | 210 | Ф18 | 220 | Ф27 | 
| 150 | 70 | 705 | 175 | 240 | Ф23 | 240 | Ф23 | 250 | Ф27 | 
| 200 | 71 | 775 | 208 | 295 | M20 | 295 | M20 | 310 | M24 | 
| 250 | 76 | 945 | 243 | 350 | M20 | 355 | M24 | 370 | M27 | 
| 300 | 83 | 1070 | 283 | 400 | M20 | 410 | M24 | 430 | M27 | 
| 350 | 92 | 1140 | 310 | 460 | M20 | 470 | M24 | 490 | M30 | 
| 400 | 102 | 1210 | 340 | 515 | M24 | 525 | M27 | 550 | M33 | 
| 450 | 114 | 1335 | 380 | 565 | M24 | 585 | M27 | 600 | M33 | 
| 500 | 127 | 1415 | 410 | 620 | M24 | 650 | M30 | 660 | M33 | 
| 600 | 154 | 1605 | 470 | 725 | M27 | 770 | M33 | 770 | M36 | 
| 700 | 165 | 1844 | 550 | 840 | M27 | 840 | M33 | 875 | M39 | 
| 800 | 190 | 2040 | 640 | 950 | M30 | 950 | M36 | 990 | M45 | 
| 900 | 203 | 2255 | 710 | 1050 | M30 | 1050 | M36 | 1090 | M45 | 
| 1000 | 216 | 2380 | 770 | 1160 | M33 | 1170 | M39 | 1210 | M52 | 
| 1200 | 254 | 2640 | 890 | 1380 | M36 | 1390 | M45 | 1420 | M52 | 
|  | 
 電話:+86 021-69783299
  電話:+86 021-69783299   傳真:+86 021-33275139
  傳真:+86 021-33275139   郵箱:ludahua27@163.com
  郵箱:ludahua27@163.com




